Описание объекта лот №: 971122
| Возможное использование: | Производство Склады с офисом Пищевое производство Теплые склады |
| Операция: | Аренда |
| Тип аренды: | Прямая аренда |
| Площадь: | 987 кв. м |
| Этаж: | 2 |
| Местоположение | |
| Округ: | САО |
| Метро: | Дегунино (МЦД), Верхние Лихоборы, Бескудниково (МЦД) |
| Улица: | Алтуфьевское ш |
| ИФНС | № 7715 |
| Стоимость и условия | |
| Цена: | 1 233 750 руб. в месяц + НДС 15 000 руб. за 1м2 в год + НДС Сообщить о снижении цены ![]() |
| Форма налогообложения собственника: | НДС |
| Обеспечительный платеж: | 1 месяц |
| Эксплуатационные расходы включены: | ✓ |
| Характеристики | |
| Отдельный вход: | ✓ |
| Этажность здания: | 2 |
| Наличие кондиционирования: | ✓ |
| Наличие лифта: | ✓ |
| Возможность подъезда фуры: | ✓ |
| Наличие пропускной системы: | ✓ |
| Круглосуточный доступ: | ✓ |
| Наличие паркинга: | ✓ |
| Электрическая мощность, кВт: | 250 |
| Описание | |
|
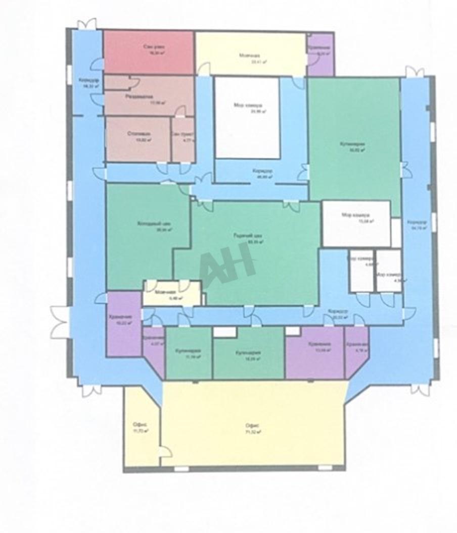
Лот №971122 Предлагается к рассмотрению помещение для организации пищевого производства, исключающего процессы с интенсивным выделением запахов. В настоящий момент объект оснащен оборудованием для хлебного производства, при этом существует возможность выкупа его части. Помещение было спроектировано для полного цикла пищевого производства с четким зонированием поточных линий. Основная производственная зона составляет 870 квадратных метров, остальная площадь отведена под складские функции. В структуре объекта представлены мясной, холодный и горячий цеха, моечная, две морозильные камеры и четыре холодильные камеры, включая шоковую заморозку. Также в состав входят офисный блок, комната для персонала, санитарные узлы, раздевалки и прочие вспомогательные помещения. Инфраструктура оснащена разветвленной приточно-вытяжной вентиляцией по всей производственной площади. Горячее водоснабжение обеспечено бойлерами, выделенная электрическая мощность составляет 250 кВт с возможностью обсуждения ее увеличения. На этаж организован подъем грузов с помощью грузового лифта грузоподъемностью 200 кг, имеется возможность согласования монтажа более мощного отдельного подъемника по фасаду здания. В производственном помещении установлены жироуловители, фанкойлы и сливные тралы в полу. Огороженная территория с круглосуточным доступом и бесплатным въездом. Для потенциальных арендаторов предусмотрена гибкая система условий, включая обсуждение скидок на период развития бизнеса и арендных каникул. Организуется оперативный показ помещения. Стоимость аренды: 15 000 руб/м2/год (1 233 750 руб. в месяц), НДС оплачивается дополнительно. В цену включено: эксплуатационные расходы. В цену не включено: затраты на электричество, коммунальные расходы, уборка.
Чтобы получить ПОДРОБНУЮ ПРЕЗЕНТАЦИЮ С ПЛАНИРОВКОЙ И ФОТОГРАФИЯМИ на этот объект, звоните. Высылаем в течение 15 минут по запросу!
Уважаемые коллеги, к сожалению мы не работаем по этому объекту с посредниками, но у нас есть партнерская программа по другим объектам! |
|
| Контактная информация | |
| Лот №: | 971122 |
| Контактное лицо: | Михаил Вячеславович |
| Телефон: | 8 (495) 822-78-71 доб.216 |


